Кошик 0
Список порівняння 0 Список бажань 0
Особистий кабінет
Меню
+38 (067)-27-20-887 Замовити дзвінок
1 716 грн

Плетена шина nVent Eriflex MBJ 70-500-10

Плетена шина nVent Eriflex MBJ 70-500-10
Плетена шина nVent Eriflex MBJ 70-500-10
Плетена шина nVent Eriflex MBJ 70-500-10
Плетена шина nVent Eriflex MBJ 70-500-10
Плетена шина nVent Eriflex MBJ 70-500-10
Плетена шина nVent Eriflex MBJ 70-500-10
Плетена шина nVent Eriflex MBJ 70-500-10
Плетена шина nVent Eriflex MBJ 70-500-10
Плетена шина nVent Eriflex MBJ 70-500-10
Плетена шина nVent Eriflex MBJ 70-500-10
Плетена шина nVent Eriflex MBJ 70-500-10
Плетена шина nVent Eriflex MBJ 70-500-10
Код товару: 563490
В наявності
1 716 грн
Характеристики: (дивитися всі)
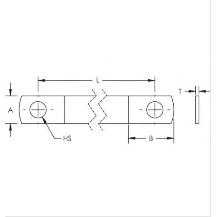
A
28 мм
B
33 мм
Інформація про сертифікацію
cUL, UL, RoHS, Bureau Veritas, UKCA, ERIFLEX MB, UL® 467
Бренд
nVent Eriflex
Відповідно до
IEC® 60439.1; IEC® 61439.1
Доставка У той же день при замовленні до 12:00 Оплата Сплачуйте швидко та зручно Гарантія Гарантія від виробника 12 місяців
Заземлювальні та з'єднувальні плетені шини MBJ - це надійне і зручне рішення для заземлення, яке вимагає гнучкості та довговічності. Заземлювальні плетені шини з лудженої міді з суцільними майданчиками готові до монтажу без додаткового різання, зачистки, обтиску або штампування і не вимагають додавання олова або обтискних наконечників. Запатентований виробничий процес оптимізує електричний контакт між кожним дротом і допомагає усунути проблеми з вологою в майданчиках, запобігаючи корозії і продовжуючи термін служби плетеної шини.


Особливості:


Повний асортимент гнучких з'єднань заземлення/заземлення з перерізом 6 - 100 мм² і довжиною 100 - 500 мм

Цілісний майданчик, без олов'яних або обтискних наконечників для чудового електричного контакту і стійкості до розтягування

Стійкий до вібрації та втоми, що зменшує потребу в технічному обслуговуванні

Забезпечує зниження ваги, економію матеріалів і нижчий імпеданс у порівнянні з аналогічними кабелями з ізоляцією з наконечниками.

Готовий до використання з коробки, усуває необхідність різання, зачистки, обтиску та пробивання.

Швидкий і простий в установці.

Рекомендовано директивами EMC/EMI і має менший імпеданс, ніж кабелі

Сумісний з EAC

Відповідає вимогам RoHS

Відповідає стандарту ISO 6469-1


Characteristics
A
28 мм
B
33 мм
Інформація про сертифікацію
cUL, UL, RoHS, Bureau Veritas, UKCA, ERIFLEX MB, UL® 467
Бренд
nVent Eriflex
Відповідно до
IEC® 60439.1; IEC® 61439.1
Вага
0.34 кг
Гарантійний термін
12 місяців
Довжина
500 мм
Кількість в пакуванні
1 шт
Країна походження
Франція
Країна реєстрації бренду
США
Матеріал
Мідь луджена
Номінальний струм
290 А
Переріз
70 мм²
Розмір отвору 1 (HS1)
10.5 мм
Температура експлуатації
105 °C
Товщина
3.4 мм
Доступні ціни
Гарантія якості
Якісний сервіс
Сертифікована продукція