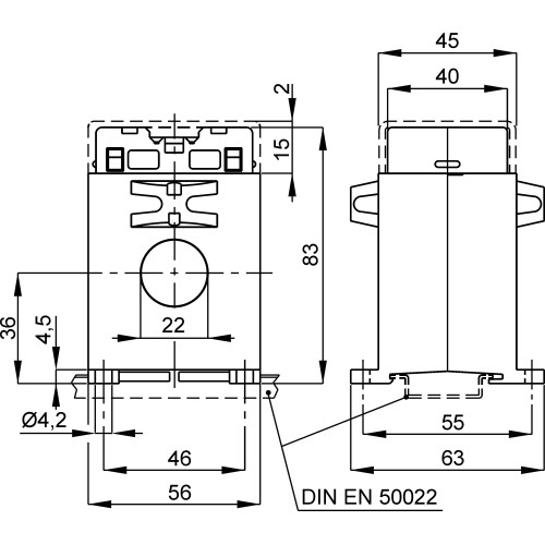
Трансформатор тока d=22мм 200/5А (0,5=5VA) Frer (TAC022200X05)


1 380 грн
Нашли данный товар дешевле?
Характеристики:
(смотреть все)
Вторичный ток
5 А
Испытательное напряжение
3 кВ x 1’ 50 Гц
Нагрузка (кл. точ.0,5)
5 ВА
Первичный ток
200 А
Класс точности
0.5
Доставка
Быстрая доставка по Украине
Оплата онлайн
Оплачивайте быстро и удобно
Гарантия
Гарантия от производителя 12 месяцев