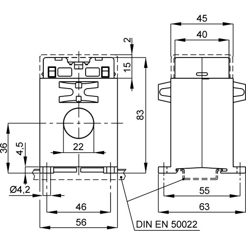
Трансформатор тока d=22мм 80/5А (3=4VA) Frer (TAC022080X05)





1 279 грн
Нашли данный товар дешевле?
Характеристики:
(смотреть все)
Вторичный ток
5 А
Испытательное напряжение
3 кВ x 1’ 50 Гц
Первичный ток
80 А
Класс точности
1
Для шины шириной
20 мм
Доставка
Быстрая доставка по Украине
Оплата онлайн
Оплачивайте быстро и удобно
Гарантия
Гарантия от производителя 12 месяцев