Кошик 0
Список порівняння 0 Список бажань 0
Ви дивилися 12
Особистий кабінет
Меню
+38 (067)-27-20-887 Замовити дзвінок
9 924 грн

Трансформатор струму вимірювальний TAT125 2000A 127×55 2000/1

Безкоштовна доставка
Трансформатор струму вимірювальний TAT125 2000A 127×55 2000/1
Трансформатор струму вимірювальний TAT125 2000A 127×55 2000/1
Трансформатор струму вимірювальний TAT125 2000A 127×55 2000/1
Трансформатор струму вимірювальний TAT125 2000A 127×55 2000/1
Код товару: TAT1252K0X01
В наявності
9 924 грн
Купити в один клік
Характеристики: (дивитися всі)
Первинний струм
2000 А
Клас точності
0.5
Вторинний струм
1 А
Монтаж на панель
Немає
Встановлення на DIN-рейку
Немає
Доставка Швидка доставка по Україні Оплата Сплачуйте швидко та зручно Гарантія Гарантія від виробника 12 місяців
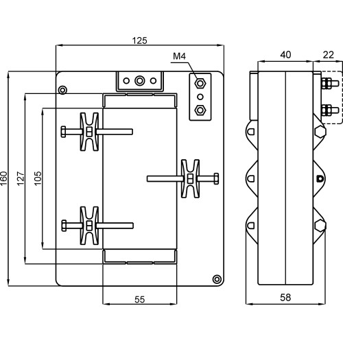
Трансформатори струму вимірювальний TAT125 2000 А 127 × 55 2000/1 - це вимірювальний пристрій, призначений для перетворення (масштабування) великих значень змінного струму до менших, безпечних для вимірювання стандартних значень. Він забезпечує гальванічну розв'язку між силовими електричними колами та колами вимірювання.

Пристрій є ключовим елементом у системах комерційного та технічного обліку електроенергії, релейного захисту та моніторингу параметрів мережі.

Основні характеристики:

  • Первинний струм: 2000 А
  • Клас точності: 0.5
  • Вторинний струм: 1 А
  • Тип трансформатора: вимірювальний
  • Отвір для шини: 127 × 55 мм
  • Коефіцієнт трансформації: 2000/1
  • Серія: TAT125

Переваги:
Висока точність: Забезпечує точні вимірювання відповідно до заявленого класу точності, що є критично важливим для комерційного обліку.
Ізолює вимірювальні прилади від високого потенціалу силової мережі, гарантуючи безпеку персоналу та обладнання.

✅ Гарантія якості: Продукція відповідає високим європейським стандартам безпеки та якості.

Характеристики товару
Первинний струм
2000 А
Клас точності
0.5
Вторинний струм
1 А
Монтаж на панель
Немає
Встановлення на DIN-рейку
Немає
Отвір для шини
127 × 55 мм
Бренд
FRER
Отвір для кабелю
Ні мм
Температура експлуатації
-25...+50 °C
Для шини шириною
120 мм
Частота мережі
50...60 Гц
Напруга ізоляції
0.72 (кВ) В
Ступінь захисту
20 IP
Температура зберігання
-40...+80 °C
Серія
TAT125
Тип
Прохідний
Коефіцієнт трансформації
2000/1
Випробувальна напруга
3 кВ (50 Гц)
Клас ізоляції
Клас E
Країна походження
Італія
Динамічна стійкість
2.5 x Ith
Країна реєстрації бренду
Італія
Тривале перевантаження
1.2 In А
Сертифікати
IEC/EN 61869-1, IEC/EN 61869-2
Фіксація шиною
Немає
Максимальний переріз приєднання вторинних кіл
6 мм²
Матеріал
UL 94-V0
Середнє напрацювання на відмову
300 000 г, термін експлуатації 25 років год
Система фіксації шпильками
Так
Ви дивилися
В наявності
Код товару: 0.0.0.5.95021
467 грн
Безкоштовна доставка
Настінний корпус для сил. розеток IDE STAR 436x142x124мм, IP65 з шинами N+PE з отворами
Безкоштовна доставка
Навісна шафа nVent HOFFMAN MAS 600x800x260 IP66
В наявності
Код товару: MAS0806026R5
13 444 грн
В наявності
Код товару: 0.0.0.5.90021
344 грн
Безкоштовна доставка
Трансформатор струму захисний FRER TAT061 1000A 61×31 1000/5
В наявності
Код товару: TAT0611K0K05
4 207 грн
Безкоштовна доставка
Продано
Трансформатор напруги Italweber Elettra IPB 1ф 0.3 кВА
Безкоштовна доставка
Продано
Трансформатор напруги Italweber Elettra IPB 1ф 0.16 кВА
Продано
Наконечник гільза Klemsan IKY 1.5/8
Код товару: 0.0.0.5.70040
461 грн
Безкоштовна доставка
Навісна шафа nVent HOFFMAN MAS 500x700x210 IP66
В наявності
Код товару: MAS0705021R5
10 018 грн
В наявності
Код товару: 03303
416 грн
Доступні ціни
Гарантія якості
Якісний сервіс
Сертифікована продукція